e-fat/e-cargo

S-Type Pro RF hátsó agymotor

Az S-Type Pro RF hátsó agymotor (szabadonfutó) E-Cargo és E-Fat kerékpárokhoz készült, 750 W és 1500 W közötti névleges teljesítményt kínálva. Hétfokozatú szabadonfutóval, 175 mm-es kieséssel és 145 Nm feletti nyomatékkal rendelkezik. Ez a motor erős tapadást biztosít alacsony sebességű körülmények között, stabil mászóképességet biztosítva meredek lejtőkön és puha homokban, és hatékonyan oldja meg az erőhiányokat nagy terhelés mellett. A HENTACH szabadalmaztatott műanyag-acél hajtóműveivel felszerelve a hagyományos nylon fogaskerekek 5-szörös nyomatékkapacitását kínálja, több mint 40 000 km-t bír ki, és jelentősen csökkenti a karbantartási költségeket. Az 1000 W feletti e-bike alkalmazásokban csak a Hengtai műanyag-acél fogaskerekei képesek ellenállni a 100 Nm feletti folyamatos nyomatéknak.

Kulcsparaméter
Motor felépítése: Névleges feszültség (V): Névleges teljesítmény (W):
/ 36-60 600-1500
Csúcsnyomaték (N.m.): Súly (KG): RÉGI (mm):
145 5.8 175
részletes információk
  • S-Type Pro RF hátsó agymotor
  • S-Type Pro RF hátsó agymotor
Ningbo Yinzhou HENTACH Electromechanical Co., Ltd. Product Parameters Ningbo Yinzhou HENTACH Electromechanical Co., Ltd. Drawing Ningbo Yinzhou HENTACH Electromechanical Co., Ltd. Contact Us

Alapadatok

Névleges teljesítmény 600-1500
Névleges feszültség 36-60
Kerék átmérő 20-26
Sebesség tartomány 35-65
Maximális nyomaték 145
Áttételi arány 5
Súly (KG) 5.8

Telepítési paraméterek

Fék Tárcsafék
Nyomatékérzékelő kazetta Nem
Kábelezési útvonal Tengely oldal bal
Küllőlyuk 2-18-Ф3.2
Vízálló minősítés IP54 (akár IP65)
Lendkerék/lánckerék örvénylő sebesség hét sebesség
Tanúsítványok TUV/EN15194/RoHS

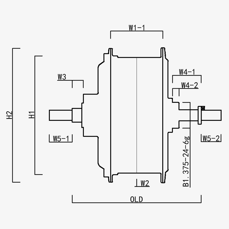
H1/ OD: 162
H2/motor külső átmérője: 183
W1(-1/-2): 70.8
W2: 0
W3: 15.2
W4 (-1/-2): 39/9
W5(-1/-2): 31/27
RÉGI: 175
Tengely hossz: 233
Ningbo Yinzhou HENTACH Electromechanical Co., Ltd.
lépjen kapcsolatba velünk
  • Küldje el és küldje el
Ningbo Yinzhou HENTACH Electromechanical Co., Ltd.
MI KÜLÖNBÖZTET MINKET
  • Erőteljes hátsó meghajtó agymotor 175 mm-es nyitott fogaskerekekkel, 1500 W-ig.

  • Feltalált szabadalmaztatott műanyag fogaskerekek: a nylon fogaskerekek 5-szörös nyomatéka; élettartama meghaladja a 40 000 km-t; alacsonyabb értékesítés utáni árbevétel

  • Leállási nyomaték akár 145 NM vagy több, efat/Cargo számára tervezve.

KI VAGYUNK Több mint 20 év gyártási tapasztalattal.

Ningbo Yinzhou HENTACH Electromechanical Co., Ltd. (Korábban Hengtai Motor) Az 1995-ben alapított és korábban "Hengtai Motor" (cégünk kínai neve) néven 2020-ban hivatalosan is felvettük az angol "HENTACH Motor" nevet. Mindkét név ugyanazt a megbízható gyártót képviseli, aki több mint 30 éve elkötelezett az elektromechanikai innováció iránt. Miniatűr egyenáramú motorok, elektromos/motorkerékpár-agymotorok, valamint elektromos járművek alumínium-magnéziumötvözeteinek öntésére és precíziós feldolgozására szakosodva szigorú ISO 9001 minőségellenőrzési rendszert, kiforrott irányítási gyakorlatot és élvonalbeli gyártási/tesztelő berendezéseket egyesítünk, hogy megbízható megoldásokat kínáljunk.

A nyersanyagöntéstől a végtermék kiszállításáig terjedő, teljes körű szolgáltatásainkkal változatos piacokat szolgálunk ki, beleértve az elektromos kerékpárokat, tehergépjárműveket, önvezető járműveket (AGV), golfkocsikat, mezőgazdasági gépeket és e-gokartokat. Több mint 9000 négyzetméteres telephelyünkön (5000 négyzetméter beépített terület) több mint 60 egységnyi fejlett gyártóberendezés található, beleértve az 500 tonnás nyomásöntő gépeket, precíziós CNC szerszámgépeket, lézeres jelölőrendszereket, mikroíves oxidációs sorokat és két dedikált elektromos járműmotor-tesztpadot. Ez az infrastruktúra biztosítja a hatékony termelést és a nemzetközi minőségi szabványok szigorú betartását.

A HENTACH-nál (Hengtai) előnyben részesítjük a kiváló minőségű anyagokat és a szabadalmaztatott technológiát – szabadalmaztatott nylon-acél felszerelésünk mérnöki kiválóságunkról tanúskodik. A tartósság igazolására egyszer elindítottunk egy futásteljesítmény-garancia programot a 30 000 mérföldet meghaladó motorokhoz. Az eredmény? Több mint 50 motor nem csak teljesítette ezt a mércét, hanem felülmúlta azt, néhányan pedig lenyűgöző 50 000 mérföldet értek el. Ez a valós teljesítmény azt tükrözi, hogy megingathatatlanul összpontosítunk a megbízhatóságra, és arra ösztönöz bennünket, hogy folyamatosan újítsunk intelligensebb, erősebb motoros megoldások érdekében.
Bízzon a világszerte Hengtai Motor és HENTACH Motor néven ismert márkában – ahol a szabadalmaztatott acél hajtómű-innováció találkozik a bizonyított tartóssággal.

által hitelesített Tanúsítványok