E-cargo

P-Type R500 hátsó agymotor

A P-Type R500 E-Cargo Bike hátsó agymotor, amelyet kifejezetten rakományozási alkalmazásokhoz terveztek, 500 W névleges teljesítménnyel büszkélkedhet, amely erős és stabil teljesítményt biztosít nehéz rakodáshoz és hosszú távú szállításhoz. Hatékony és stabil teljesítményt biztosít bonyolult városi körülmények között, lejtőn vagy teljesen megrakott állapotban, jelentősen növelve a rakomány hatékonyságát. Ezenkívül csökkenti az energiafogyasztást sík terepen és nagyobb sebességnél, javítva a kerékpározás általános hatékonyságát.

Kulcsparaméter
Motor felépítése: Névleges feszültség (V): Névleges teljesítmény (W):
Hátsó hajtóagy motor 36-48 350-500
Csúcsnyomaték (N.m.): Súly (KG): RÉGI (mm):
50 3.85 160
részletes információk
  • P-Type R500 hátsó agymotor
  • P-Type R500 hátsó agymotor
Ningbo Yinzhou HENTACH Electromechanical Co., Ltd. Product Parameters Ningbo Yinzhou HENTACH Electromechanical Co., Ltd. Drawing Ningbo Yinzhou HENTACH Electromechanical Co., Ltd. Contact Us

Alapadatok

Névleges teljesítmény 350-500
Névleges feszültség 36-48
Kerék átmérője 20-26
Sebesség tartomány 25-35
Maximális nyomaték 50
Áttételi arány 5
Súly (KG) 3.85

Telepítési paraméterek

Fék Tárcsafék
Nyomatékérzékelő kazetta Nem
Kábelezési útvonal Tengely középső bal
Küllőlyuk 2-18-Ф3.2
Vízálló minősítés IP54 (akár IP65)
Lendkerék/lánckerék Rotary 7 sebességes
Tanúsítványok TUV/EN15194/RoHS

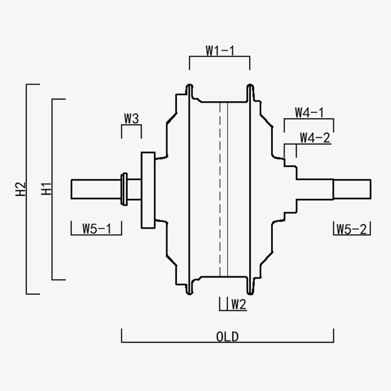
H1/ OD: 136.5
H2/motor külső átmérője: 158.5
W1(-1/-2): 45.5
W2: 6
W3: 15
W4 (-1/-2): 37/9
W5(-1/-2): 38/28
RÉGI: 160
Tengely hossz: 226
Ningbo Yinzhou HENTACH Electromechanical Co., Ltd.
lépjen kapcsolatba velünk
  • Küldje el és küldje el
Ningbo Yinzhou HENTACH Electromechanical Co., Ltd.
MI KÜLÖNBÖZTET MINKET
  • Erőteljes hátsó kerékagymotor, amelyet kifejezetten az elektromos rásegítésű zsírkerékpárokhoz terveztek, 7 sebességes forgó lendkerékkel, 160 mm-es sebességváltóval és akár 500 W névleges teljesítménnyel.

  • Szabadalmaztatott műanyag acél hajtómű: a nylon fogaskerekek nyomatékának 5-szöröse; élettartama meghaladja a 40 000 kilométert; alacsonyabb értékesítés utáni árbevétel

  • 50 NM-nél nagyobb leállási nyomaték, kifejezetten az eCargo számára készült.

KI VAGYUNK Több mint 20 év gyártási tapasztalattal.

Ningbo Yinzhou HENTACH Electromechanical Co., Ltd. (Korábban Hengtai Motor) Az 1995-ben alapított és korábban "Hengtai Motor" (cégünk kínai neve) néven 2020-ban hivatalosan is felvettük az angol "HENTACH Motor" nevet. Mindkét név ugyanazt a megbízható gyártót képviseli, aki több mint 30 éve elkötelezett az elektromechanikai innováció iránt. Miniatűr egyenáramú motorok, elektromos/motorkerékpár-agymotorok, valamint elektromos járművek alumínium-magnéziumötvözeteinek öntésére és precíziós feldolgozására szakosodva szigorú ISO 9001 minőségellenőrzési rendszert, kiforrott irányítási gyakorlatot és élvonalbeli gyártási/tesztelő berendezéseket egyesítünk, hogy megbízható megoldásokat kínáljunk.

A nyersanyagöntéstől a végtermék kiszállításáig terjedő, teljes körű szolgáltatásainkkal változatos piacokat szolgálunk ki, beleértve az elektromos kerékpárokat, tehergépjárműveket, önvezető járműveket (AGV), golfkocsikat, mezőgazdasági gépeket és e-gokartokat. Több mint 9000 négyzetméteres telephelyünkön (5000 négyzetméter beépített terület) több mint 60 egységnyi fejlett gyártóberendezés található, beleértve az 500 tonnás nyomásöntő gépeket, precíziós CNC szerszámgépeket, lézeres jelölőrendszereket, mikroíves oxidációs sorokat és két dedikált elektromos járműmotor-tesztpadot. Ez az infrastruktúra biztosítja a hatékony termelést és a nemzetközi minőségi szabványok szigorú betartását.

A HENTACH-nál (Hengtai) előnyben részesítjük a kiváló minőségű anyagokat és a szabadalmaztatott technológiát – szabadalmaztatott nylon-acél felszerelésünk mérnöki kiválóságunkról tanúskodik. A tartósság igazolására egyszer elindítottunk egy futásteljesítmény-garancia programot a 30 000 mérföldet meghaladó motorokhoz. Az eredmény? Több mint 50 motor nem csak teljesítette ezt a mércét, hanem felülmúlta azt, néhányan pedig lenyűgöző 50 000 mérföldet értek el. Ez a valós teljesítmény azt tükrözi, hogy megingathatatlanul összpontosítunk a megbízhatóságra, és arra ösztönöz bennünket, hogy folyamatosan újítsunk intelligensebb, erősebb motoros megoldások érdekében.
Bízzon a világszerte Hengtai Motor és HENTACH Motor néven ismert márkában – ahol a szabadalmaztatott acél hajtómű-innováció találkozik a bizonyított tartóssággal.

által hitelesített Tanúsítványok