Közúti / E-út

D-TÍPUSÚ THRU TENGELY hátsó agymotor

A D-TYPE THRU AXLE hátsó agymotor, amelyet e-MTB-khez és e-road/Graval kerékpárokhoz terveztek, mindössze 2,4 kg (a kazettával együtt) 148 mm-es átmenő tengellyel. Könnyű kialakítása és átmenő tengelyszerkezete nagy szilárdságot és stabilitást biztosít nagy sebességű vezetés közben. 48 V 250 W névleges teljesítményével és 50 Nm feletti leállási nyomatékával kompatibilis a nyomatékérzékelő kazettával, sima gyorsulást és érzékeny teljesítményt biztosítva különféle terepen.

Kulcsparaméter
Motor felépítése: Névleges feszültség (V): Névleges teljesítmény (W):
Outrunner Hub Motor 36-48 220-250
Csúcsnyomaték (N.m.): Súly (KG): RÉGI (mm):
> 50 NM 2.4 (Kazettával) 141
részletes információk
  • D-TÍPUSÚ THRU TENGELY hátsó agymotor
  • D-TÍPUSÚ THRU TENGELY hátsó agymotor
Ningbo Yinzhou HENTACH Electromechanical Co., Ltd. Product Parameters Ningbo Yinzhou HENTACH Electromechanical Co., Ltd. Drawing Ningbo Yinzhou HENTACH Electromechanical Co., Ltd. Contact Us

Alapadatok

Névleges teljesítmény 220-250
Névleges feszültség 36-48
Kerék átmérője 20-28
Sebesség tartomány 25-32
Maximális nyomaték > 50 NM
Áttételi arány 6.3
Súly (KG) 2.4 (kazettával)

Telepítési paraméterek

Fék tárcsafék
Nyomatékérzékelő kazetta Igen
Kábelezési útvonal Tengely oldal bal
Küllőlyuk 2-18-Ф3.2
Vízálló minősítés IP54 (akár IP65)
Lendkerék/lánckerék 7-12 sebességes kazetta/7-12 sebességes kazetta
Tanúsítványok TUV/EN15194/RoHS

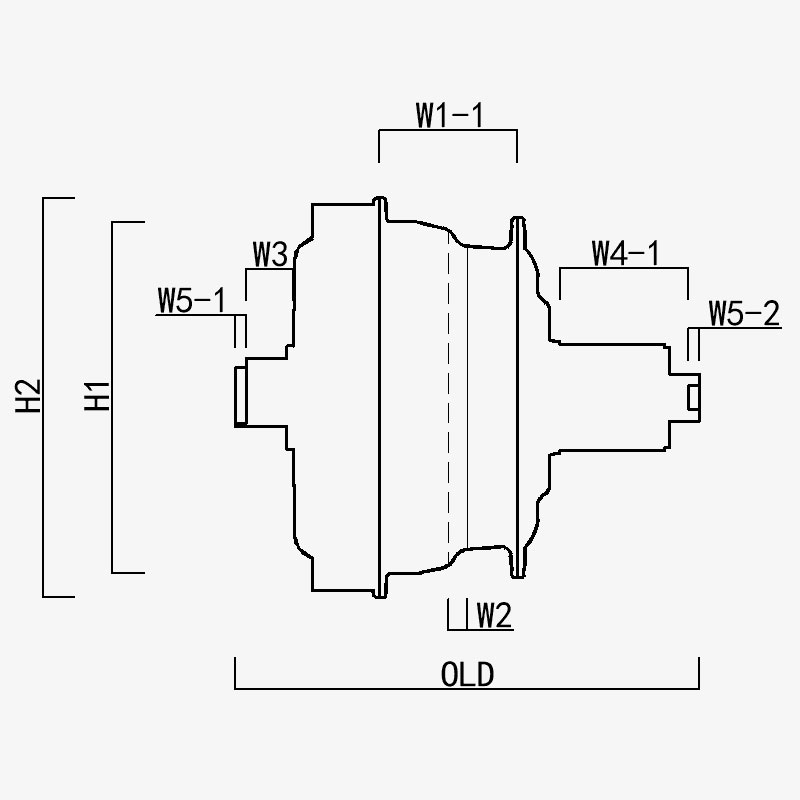
H1/ OD: 112
H2/motor külső átmérője: 128
W1(-1/-2): 44
W2: 6
W3: 15.25
W4 (-1/-2): 42.5
W5(-1/-2): 3.5
RÉGI: 141
Tengely hossz: 148
Ningbo Yinzhou HENTACH Electromechanical Co., Ltd.
lépjen kapcsolatba velünk
  • Küldje el és küldje el
Ningbo Yinzhou HENTACH Electromechanical Co., Ltd.
MI KÜLÖNBÖZTET MINKET
  • Szabadalmaztatott műanyag acél hajtómű: a nylon fogaskerekek nyomatékának 5-szöröse; élettartama meghaladja a 40 000 km-t; alacsonyabb értékesítés utáni szolgáltatás

  • Külső rotoros motor: stabilabb szerkezet és alacsonyabb meghibásodási arány a belső rotorhoz képest

  • Szabványos 10 mm-es hordótengely-szerkezet, könnyebb és kisebb, 142 mm-es fogaskerekes nyitással, 50 NM-nél nagyobb nyomatékot képes elérni, a 250 W-os hordótengely motor a piacon a legnagyobb nyomatékkal

KI VAGYUNK Több mint 20 év gyártási tapasztalattal.

Ningbo Yinzhou HENTACH Electromechanical Co., Ltd. (Korábban Hengtai Motor) Az 1995-ben alapított és korábban "Hengtai Motor" (cégünk kínai neve) néven 2020-ban hivatalosan is felvettük az angol "HENTACH Motor" nevet. Mindkét név ugyanazt a megbízható gyártót képviseli, aki több mint 30 éve elkötelezett az elektromechanikai innováció iránt. Miniatűr egyenáramú motorok, elektromos/motorkerékpár-agymotorok, valamint elektromos járművek alumínium-magnéziumötvözeteinek öntésére és precíziós feldolgozására szakosodva szigorú ISO 9001 minőségellenőrzési rendszert, kiforrott irányítási gyakorlatot és élvonalbeli gyártási/tesztelő berendezéseket egyesítünk, hogy megbízható megoldásokat kínáljunk.

A nyersanyagöntéstől a végtermék kiszállításáig terjedő, teljes körű szolgáltatásainkkal változatos piacokat szolgálunk ki, beleértve az elektromos kerékpárokat, tehergépjárműveket, önvezető járműveket (AGV), golfkocsikat, mezőgazdasági gépeket és e-gokartokat. Több mint 9000 négyzetméteres telephelyünkön (5000 négyzetméter beépített terület) több mint 60 egységnyi fejlett gyártóberendezés található, beleértve az 500 tonnás nyomásöntő gépeket, precíziós CNC szerszámgépeket, lézeres jelölőrendszereket, mikroíves oxidációs sorokat és két dedikált elektromos járműmotor-tesztpadot. Ez az infrastruktúra biztosítja a hatékony termelést és a nemzetközi minőségi szabványok szigorú betartását.

A HENTACH-nál (Hengtai) előnyben részesítjük a kiváló minőségű anyagokat és a szabadalmaztatott technológiát – szabadalmaztatott nylon-acél felszerelésünk mérnöki kiválóságunkról tanúskodik. A tartósság igazolására egyszer elindítottunk egy futásteljesítmény-garancia programot a 30 000 mérföldet meghaladó motorokhoz. Az eredmény? Több mint 50 motor nem csak teljesítette ezt a mércét, hanem felülmúlta azt, néhányan pedig lenyűgöző 50 000 mérföldet értek el. Ez a valós teljesítmény azt tükrözi, hogy megingathatatlanul összpontosítunk a megbízhatóságra, és arra ösztönöz bennünket, hogy folyamatosan újítsunk intelligensebb, erősebb motoros megoldások érdekében.
Bízzon a világszerte Hengtai Motor és HENTACH Motor néven ismert márkában – ahol a szabadalmaztatott acél hajtómű-innováció találkozik a bizonyított tartóssággal.

által hitelesített Tanúsítványok