E-út / E-város

HT MINI kazettás hátsó agymotor

A HT MINI 8-10 sebességű kazettás agymotort e-city és országúti kerékpárokhoz tervezték, így az egyik legkisebb külső rotoros agymotor a piacon. Kompakt és könnyű kialakítású, mindössze 1,95 kg súlyú, 220 W névleges teljesítménnyel és 30 Nm feletti nyomatékkal, a nyomatékérzékelő kazetta rendelhető. A motor akár 250 W-ot is elérhet, 40 Nm-es leállási nyomatékkal. A külső forgórész kialakítása csökkenti a halmozott hibák számát, növelve a tartósságot és a stabilitást.

Kulcsparaméter
Motor felépítése: Névleges feszültség (V): Névleges teljesítmény (W):
Outrunner Hub Motor 36-48 180-250
Csúcsnyomaték (N.m.): Súly (KG): RÉGI (mm):
40 2,18 (220w) 142
részletes információk
  • HT MINI kazettás hátsó agymotor
  • HT MINI kazettás hátsó agymotor
Ningbo Yinzhou HENTACH Electromechanical Co., Ltd. Product Parameters Ningbo Yinzhou HENTACH Electromechanical Co., Ltd. Drawing Ningbo Yinzhou HENTACH Electromechanical Co., Ltd. Contact Us

Alapadatok

Névleges teljesítmény 180-250
Névleges feszültség 36-48
Kerék átmérője 20-28
Sebesség tartomány 25-38
Maximális nyomaték 40
Áttételi arány 5
Súly (KG) 2,18 (220w)

Telepítési paraméterek

Fék Tárcsafék
Nyomatékérzékelő kazetta Igen
Kábelezési útvonal Tengely középső jobb
Küllőlyuk 2-18-Ф3.2
Vízálló minősítés IP54 (akár IP65)
Lendkerék/lánckerék KAFI 7-10 sebesség
Tanúsítványok TUV/EN15194/RoHS

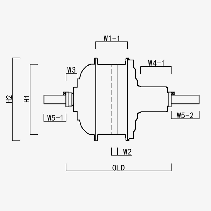
H1/ OD: 95.5
H2/motor külső átmérője: 112.5
W1(-1/-2): 43
W2: 8
W3: 15
W4 (-1/-2): 42.5
W5(-1/-2): 30/39
RÉGI: 142
Tengely hossz: 211
Ningbo Yinzhou HENTACH Electromechanical Co., Ltd.
lépjen kapcsolatba velünk
  • Küldje el és küldje el
Ningbo Yinzhou HENTACH Electromechanical Co., Ltd.
MI KÜLÖNBÖZTET MINKET
  • A motor külső átmérője 95 mm, 10 sebességes kazettás lendkerékkel, mindössze 2,15 kg tömeggel, ultrakönnyű külső rotoros motorral és akár 40 NM leállási nyomatékkal. Egy e-bike partner.

  • Szabadalmaztatott műanyag acél hajtómű: a nylon fogaskerekek forgatónyomatékának 5-szöröse; élettartama meghaladja a 40 000 kilométert; alacsonyabb értékesítés utáni árbevétel

  • Külső rotoros motor: stabilabb szerkezet, mint a belső rotor, alacsonyabb meghibásodási arány

KI VAGYUNK Több mint 20 év gyártási tapasztalattal.

Ningbo Yinzhou HENTACH Electromechanical Co., Ltd. (Korábban Hengtai Motor) Az 1995-ben alapított és korábban "Hengtai Motor" (cégünk kínai neve) néven 2020-ban hivatalosan is felvettük az angol "HENTACH Motor" nevet. Mindkét név ugyanazt a megbízható gyártót képviseli, aki több mint 30 éve elkötelezett az elektromechanikai innováció iránt. Miniatűr egyenáramú motorok, elektromos/motorkerékpár-agymotorok, valamint elektromos járművek alumínium-magnéziumötvözeteinek öntésére és precíziós feldolgozására szakosodva szigorú ISO 9001 minőségellenőrzési rendszert, kiforrott irányítási gyakorlatot és élvonalbeli gyártási/tesztelő berendezéseket egyesítünk, hogy megbízható megoldásokat kínáljunk.

A nyersanyagöntéstől a végtermék kiszállításáig terjedő, teljes körű szolgáltatásainkkal változatos piacokat szolgálunk ki, beleértve az elektromos kerékpárokat, tehergépjárműveket, önvezető járműveket (AGV), golfkocsikat, mezőgazdasági gépeket és e-gokartokat. Több mint 9000 négyzetméteres telephelyünkön (5000 négyzetméter beépített terület) több mint 60 egységnyi fejlett gyártóberendezés található, beleértve az 500 tonnás nyomásöntő gépeket, precíziós CNC szerszámgépeket, lézeres jelölőrendszereket, mikroíves oxidációs sorokat és két dedikált elektromos járműmotor-tesztpadot. Ez az infrastruktúra biztosítja a hatékony termelést és a nemzetközi minőségi szabványok szigorú betartását.

A HENTACH-nál (Hengtai) előnyben részesítjük a kiváló minőségű anyagokat és a szabadalmaztatott technológiát – szabadalmaztatott nylon-acél felszerelésünk mérnöki kiválóságunkról tanúskodik. A tartósság igazolására egyszer elindítottunk egy futásteljesítmény-garancia programot a 30 000 mérföldet meghaladó motorokhoz. Az eredmény? Több mint 50 motor nem csak teljesítette ezt a mércét, hanem felülmúlta azt, néhányan pedig lenyűgöző 50 000 mérföldet értek el. Ez a valós teljesítmény azt tükrözi, hogy megingathatatlanul összpontosítunk a megbízhatóságra, és arra ösztönöz bennünket, hogy folyamatosan újítsunk intelligensebb, erősebb motoros megoldások érdekében.
Bízzon a világszerte Hengtai Motor és HENTACH Motor néven ismert márkában – ahol a szabadalmaztatott acél hajtómű-innováció találkozik a bizonyított tartóssággal.

által hitelesített Tanúsítványok