eMTB / E-cargo

E-Type Pro RF750 hátsó agymotor

Az E-Type Pro RF750 hátsó agymotort E-Cargo és E-MTB kerékpárokhoz tervezték, kompatibilis a szabadonfutó 7 sebességes menetével és egy 135 mm-es OLD motorral. A névleges teljesítmény 750 W, több mint 85 Nm forgatónyomatékkal, könnyű kezelni nagy terhelést és összetett terepet. A szabadalmaztatott műanyag-acél fogaskerekekkel felszerelt motor a nylon fogaskerekek 5-szörös nyomatékkapacitását biztosítja, több mint 40 000 km-t bír ki, és jelentősen csökkenti a karbantartási költségeket. Legyen szó meredek dombokról, zord ösvényekről vagy nehéz teherszállításról, kivételes mászóképességet és azonnali gyorsulást biztosít.

Kulcsparaméter
Motor felépítése: Névleges feszültség (V): Névleges teljesítmény (W):
Hátsó hajtóagy motor 36-48 350-750
Csúcsnyomaték (N.m.): Súly (KG): RÉGI (mm):
85 5.5 137
részletes információk
  • E-Type Pro RF750 hátsó agymotor
  • E-Type Pro RF750 hátsó agymotor
Ningbo Yinzhou HENTACH Electromechanical Co., Ltd. Product Parameters Ningbo Yinzhou HENTACH Electromechanical Co., Ltd. Drawing Ningbo Yinzhou HENTACH Electromechanical Co., Ltd. Contact Us

Alapadatok

Névleges teljesítmény 350-750
Névleges feszültség 36-48
Kerék átmérő 20-28
Sebesség tartomány 25-38
Maximális nyomaték 85
Áttételi arány 5.27
Súly (KG) 5.5

Telepítési paraméterek

Fék Tárcsafék
Nyomatékérzékelő kazetta Nem
Kábelezési útvonal Tengely oldal bal
Küllőlyuk 2-18-Ф3.2
Vízálló minősítés IP54 (akár IP65)
Lendkerék/lánckerék Rotary 7 sebességes
Tanúsítványok TUV/EN15194/RoHS

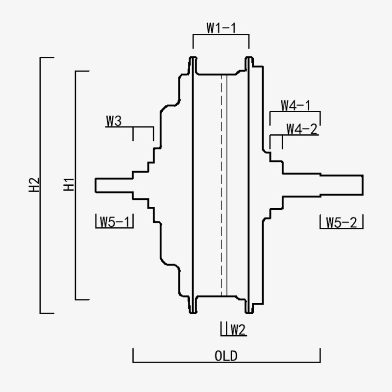
H1/ OD: 167
H2/motor külső átmérője: 187
W1(-1/-2): 40.8
W2: 4.15
W3: 15.2
W4 (-1/-2): 37/9
W5(-1/-2): 27/31
RÉGI: 137
Tengely hossz: 195
Ningbo Yinzhou HENTACH Electromechanical Co., Ltd.
lépjen kapcsolatba velünk
  • Küldje el és küldje el
Ningbo Yinzhou HENTACH Electromechanical Co., Ltd.
MI KÜLÖNBÖZTET MINKET
  • Erőteljes hátsó meghajtó agymotor, 7 sebességes forgó lendkerékkel, 135 mm-es hajtóműnyitással, nagyobb alkalmazkodóképességgel és 750 W-ig terjedő névleges teljesítménnyel.

  • Szabadalmaztatott műanyag acél hajtómű: a nylon fogaskerekek nyomatékának 5-szöröse; élettartama meghaladja a 40 000 kilométert; alacsonyabb értékesítés utáni árbevétel

  • Leállási nyomaték akár 85 NM, kifejezetten eMTB/Cargo számára.

KI VAGYUNK Több mint 20 év gyártási tapasztalattal.

Ningbo Yinzhou HENTACH Electromechanical Co., Ltd. (Korábban Hengtai Motor) Az 1995-ben alapított és korábban "Hengtai Motor" (cégünk kínai neve) néven 2020-ban hivatalosan is felvettük az angol "HENTACH Motor" nevet. Mindkét név ugyanazt a megbízható gyártót képviseli, aki több mint 30 éve elkötelezett az elektromechanikai innováció iránt. Miniatűr egyenáramú motorok, elektromos/motorkerékpár-agymotorok, valamint elektromos járművek alumínium-magnéziumötvözeteinek öntésére és precíziós feldolgozására szakosodva szigorú ISO 9001 minőségellenőrzési rendszert, kiforrott irányítási gyakorlatot és élvonalbeli gyártási/tesztelő berendezéseket egyesítünk, hogy megbízható megoldásokat kínáljunk.

A nyersanyagöntéstől a végtermék kiszállításáig terjedő, teljes körű szolgáltatásainkkal változatos piacokat szolgálunk ki, beleértve az elektromos kerékpárokat, tehergépjárműveket, önvezető járműveket (AGV), golfkocsikat, mezőgazdasági gépeket és e-gokartokat. Több mint 9000 négyzetméteres telephelyünkön (5000 négyzetméter beépített terület) több mint 60 egységnyi fejlett gyártóberendezés található, beleértve az 500 tonnás nyomásöntő gépeket, precíziós CNC szerszámgépeket, lézeres jelölőrendszereket, mikroíves oxidációs sorokat és két dedikált elektromos járműmotor-tesztpadot. Ez az infrastruktúra biztosítja a hatékony termelést és a nemzetközi minőségi szabványok szigorú betartását.

A HENTACH-nál (Hengtai) előnyben részesítjük a kiváló minőségű anyagokat és a szabadalmaztatott technológiát – szabadalmaztatott nylon-acél felszerelésünk mérnöki kiválóságunkról tanúskodik. A tartósság igazolására egyszer elindítottunk egy futásteljesítmény-garancia programot a 30 000 mérföldet meghaladó motorokhoz. Az eredmény? Több mint 50 motor nem csak teljesítette ezt a mércét, hanem felülmúlta azt, néhányan pedig lenyűgöző 50 000 mérföldet értek el. Ez a valós teljesítmény azt tükrözi, hogy megingathatatlanul összpontosítunk a megbízhatóságra, és arra ösztönöz bennünket, hogy folyamatosan újítsunk intelligensebb, erősebb motoros megoldások érdekében.
Bízzon a világszerte Hengtai Motor és HENTACH Motor néven ismert márkában – ahol a szabadalmaztatott acél hajtómű-innováció találkozik a bizonyított tartóssággal.

által hitelesített Tanúsítványok