eMTB / E-cargo

E-Type RF500 hátsó agymotor

Az E-Type RF500 hátsó agymotor E-Cargo és E-MTB kerékpárokhoz készült, kompatibilis a 36V/48V-os rendszerekkel. 500-750 W névleges teljesítményt és 75 Nm feletti forgatónyomatékot kínál, így könnyedén kezeli az összetett terepeket és a nehéz terheket. A motor 20-28 hüvelykes kerekeket támogat, súlya mindössze 4,2 kg, és 100 mm-es kieséssel rendelkezik 5,4-es áttétellel. Ez a kialakítás optimalizálja a nyomatékot, egyenletes gyorsulást biztosít alacsony fordulatszámon és javítja a hatékonyságot.

Kulcsparaméter
Motor felépítése: Névleges feszültség (V): Névleges teljesítmény (W):
Hátsó hajtóagy motor 36-48 250-500
Csúcsnyomaték (N.m.): Súly (KG): RÉGI (mm):
75 4.2 135
részletes információk
  • E-Type RF500 hátsó agymotor
  • E-Type RF500 hátsó agymotor
Ningbo Yinzhou HENTACH Electromechanical Co., Ltd. Product Parameters Ningbo Yinzhou HENTACH Electromechanical Co., Ltd. Drawing Ningbo Yinzhou HENTACH Electromechanical Co., Ltd. Contact Us

Alapadatok

Névleges teljesítmény 250-500
Névleges feszültség 36-48
Kerék átmérője 20-28
Sebesség tartomány 25-38
Maximális nyomaték 75
Áttételi arány 5.4
Súly (KG) 4.2

Telepítési paraméterek

Fék Tárcsafék
Nyomatékérzékelő kazetta Nem
Kábelezési útvonal Tengely középső jobb
Küllőlyuk 2-18-Ф3.2
Vízálló minősítés IP54 (akár IP65)
Lendkerék/lánckerék Rotary Fly 7 sebességes/Kafei (OLD142)
Tanúsítványok TUV/EN15194/RoHS

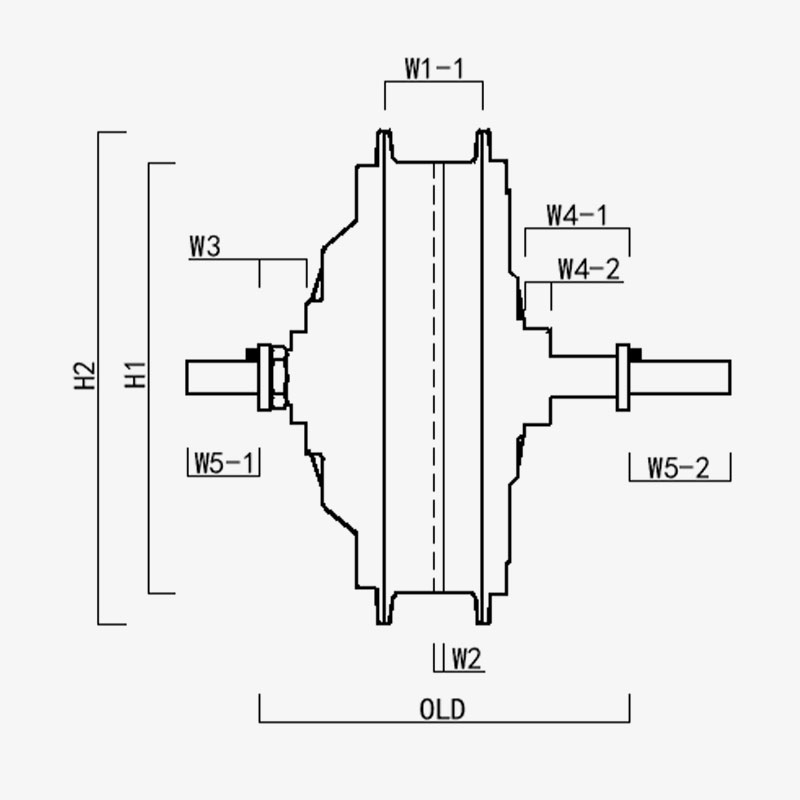
H1/ OD: 157
H2/motor külső átmérője: 180
W1(-1/-2): 36
W2: 3.75
W3: 15.2
W4 (-1/-2): 38/9.5
W5(-1/-2): 26/37
RÉGI: 135
Tengely hossz: 198
Ningbo Yinzhou HENTACH Electromechanical Co., Ltd.
lépjen kapcsolatba velünk
  • Küldje el és küldje el
Ningbo Yinzhou HENTACH Electromechanical Co., Ltd.
MI KÜLÖNBÖZTET MINKET
  • Erőteljes hátsó meghajtó agymotor, 135 mm-es hajtóműnyílás, névleges teljesítmény akár 500 W

  • Szabadalmaztatott műanyag acél hajtómű: a nylon fogaskerekek nyomatékának 5-szöröse; élettartama meghaladja a 40 000 km-t; alacsonyabb értékesítés utáni árbevétel

  • Leállási nyomaték akár 75 NM, kifejezetten eMTB/Cargo számára.

KI VAGYUNK Több mint 20 év gyártási tapasztalattal.

Ningbo Yinzhou HENTACH Electromechanical Co., Ltd. (Korábban Hengtai Motor) Az 1995-ben alapított és korábban "Hengtai Motor" (cégünk kínai neve) néven 2020-ban hivatalosan is felvettük az angol "HENTACH Motor" nevet. Mindkét név ugyanazt a megbízható gyártót képviseli, aki több mint 30 éve elkötelezett az elektromechanikai innováció iránt. Miniatűr egyenáramú motorok, elektromos/motorkerékpár-agymotorok, valamint elektromos járművek alumínium-magnéziumötvözeteinek öntésére és precíziós feldolgozására szakosodva szigorú ISO 9001 minőségellenőrzési rendszert, kiforrott irányítási gyakorlatot és élvonalbeli gyártási/tesztelő berendezéseket egyesítünk, hogy megbízható megoldásokat kínáljunk.

A nyersanyagöntéstől a végtermék kiszállításáig terjedő, teljes körű szolgáltatásainkkal változatos piacokat szolgálunk ki, beleértve az elektromos kerékpárokat, tehergépjárműveket, önvezető járműveket (AGV), golfkocsikat, mezőgazdasági gépeket és e-gokartokat. Több mint 9000 négyzetméteres telephelyünkön (5000 négyzetméter beépített terület) több mint 60 egységnyi fejlett gyártóberendezés található, beleértve az 500 tonnás nyomásöntő gépeket, precíziós CNC szerszámgépeket, lézeres jelölőrendszereket, mikroíves oxidációs sorokat és két dedikált elektromos járműmotor-tesztpadot. Ez az infrastruktúra biztosítja a hatékony termelést és a nemzetközi minőségi szabványok szigorú betartását.

A HENTACH-nál (Hengtai) előnyben részesítjük a kiváló minőségű anyagokat és a szabadalmaztatott technológiát – szabadalmaztatott nylon-acél felszerelésünk mérnöki kiválóságunkról tanúskodik. A tartósság igazolására egyszer elindítottunk egy futásteljesítmény-garancia programot a 30 000 mérföldet meghaladó motorokhoz. Az eredmény? Több mint 50 motor nem csak teljesítette ezt a mércét, hanem felülmúlta azt, néhányan pedig lenyűgöző 50 000 mérföldet értek el. Ez a valós teljesítmény azt tükrözi, hogy megingathatatlanul összpontosítunk a megbízhatóságra, és arra ösztönöz bennünket, hogy folyamatosan újítsunk intelligensebb, erősebb motoros megoldások érdekében.
Bízzon a világszerte Hengtai Motor és HENTACH Motor néven ismert márkában – ahol a szabadalmaztatott acél hajtómű-innováció találkozik a bizonyított tartóssággal.

által hitelesített Tanúsítványok